Horlogerie – Boitier
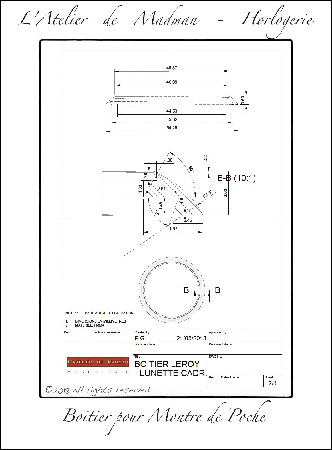
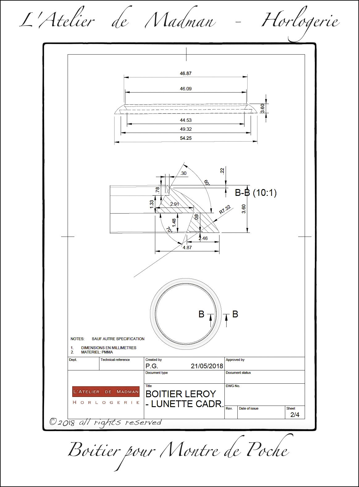
Conception et fabrication d’un boitier pour montre de gousset. Première étape : dessin de la pièce, à l’aide de l’excellent logiciel DAO Autodesk Fusion360.
Retrouvez toutes les réalisations sur www.atelierhorlogerie.com
* * *





